氣動硬密封蝶閥
- 閥門型號:D643H,D673H,D643Y,D673Y
- 通徑規格:DN50~DN1200
- 結構形式:三偏心硬密封
- 閥體材質:碳鋼、不銹鋼304、316、316L等
- 公稱壓力:PN10、PN16、PN25、PN40
- 適用溫度:-40℃~550℃
- 應用范圍:水、蒸氣、油品、酸類腐蝕性等
- 產品特點:壽命長,啟閉無摩擦,使用范圍廣,可用于高溫高壓
氣動硬密封蝶閥簡介:
氣動硬密封蝶閥屬于長壽命、高品質蝶閥,采用三維偏心原理設計,主要由法蘭或對夾式硬密封蝶閥與氣動執行裝置連接組成,閥座和碟板密封面采用不同硬度的金屬材料或不銹鋼制成,具有耐高溫、耐腐蝕、耐磨損等優點。氣動硬密封蝶閥采用硬軟密封兼容的多層次結構,無論在低溫或高溫的工況中都能保證優良的密封性能,且閥門在開啟和關閉時碟板和閥座基本無摩擦現象,大大提高了蝶閥的使用壽命。氣動硬密封蝶閥廣泛應用于電力、油品、蒸汽、空氣、污水等介質的管道當中,是開關控制或調節流量的最佳裝置。

氣動對夾式硬密封蝶閥 氣動法蘭硬密封蝶閥氣動硬密封蝶閥性能特點:
1、采用三偏心原理結構,閥座與碟板在啟閉時幾乎無摩擦,提高了使用壽命。
2、結構獨特,操作靈活、省力、方便、不受介質壓力的高、低影響,密封性能可靠。
3、可分為氣動對夾式硬密封蝶閥和氣動法蘭硬密封蝶閥,滿足于不同連接方式,方便安裝在管道中。
3、密封是采用軟硬金屬片層疊組成,具有金屬密封和彈性密封的雙重優點,無論在低溫和高溫情況下,均具有優良的密封特性。
5、蝶閥設有密封調節裝置,長期使用后若密封性能下降,可調節碟板密封圈向閥座靠近即可恢復原有密封性能,大大地提高使用壽命。氣動硬密封蝶閥技術參數:
| 公稱通徑 | DN50~DN1200(mm) |
| 壓力等級 | PN1.0、1.6、2.5、4.0MPa |
| 連接方式 | 對夾式、法蘭連接 |
| 密封形式 | 金屬硬密封 |
| 驅動方式 | 氣源驅動,壓縮空氣5~7bar |
| 動作范圍 | 0~90度 |
| 閥體材質 | 碳鋼、不銹鋼304、316、316L等 |
| 工作場合 | 水、蒸氣、油品、酸類腐蝕性等 |
| 溫度范圍 | -40℃~550℃ |
| 控制方式 | 開關型、調節型(常開,常閉) |

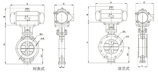
氣動對夾式硬密封蝶閥結構圖 氣動法蘭硬密封蝶閥結構圖氣動硬密封蝶閥執行機構:| 供氣壓力 | 0.4~0.7MPa |
| 氣源接口 | G1/4"、G1/8"、G3/8"、G1/2" |
| 環境溫度 | -30~+70℃ |
| 作用形式 | 單作用執行機構:氣關式(B)--失氣時閥位開(FO);氣開式(K)--失氣時閥位關(FC) 雙作用執行機構:氣關式(B)--失氣時閥位保持(FL);氣開式(K)-- 失氣時閥位保持(FL) |
| 可配附件 | 定位器、電磁閥、空氣過濾減壓器、保位閥、行程開關、閥位傳送器、手輪機構等 |
1、軟密封使用于低壓-常壓,硬密封可使用于中高壓工況。
2、軟密封用于低溫,常溫環境,硬密封可用于低溫、常溫、高溫等環境。
3、軟密封蝶閥多為中線型結構,硬密封一般是單偏心、雙偏心和三偏心蝶閥結構。
4、軟密封蝶閥比三偏心硬密封蝶閥密封性能比較好,但三偏心蝶閥在高壓高溫環境下可以保持良好的密封。
氣動硬密封蝶閥和氣動軟密封蝶閥的優缺點:
硬密封蝶閥使用壽命長,但是密封性相對比軟密封差。
軟密封蝶閥的優點是密封性能好,缺點是容易老化、磨損、使用壽命短。
軟密封蝶閥多適用于含腐蝕性等常溫管路做啟閉及調節,硬密封蝶閥多用于供熱、供氣、及煤氣、油品、酸堿等環境。
相關產品: 電動硬密封蝶閥 氣動硬密封三偏心蝶閥 不銹鋼氣動蝶閥